Описание
Отзывы
Описание
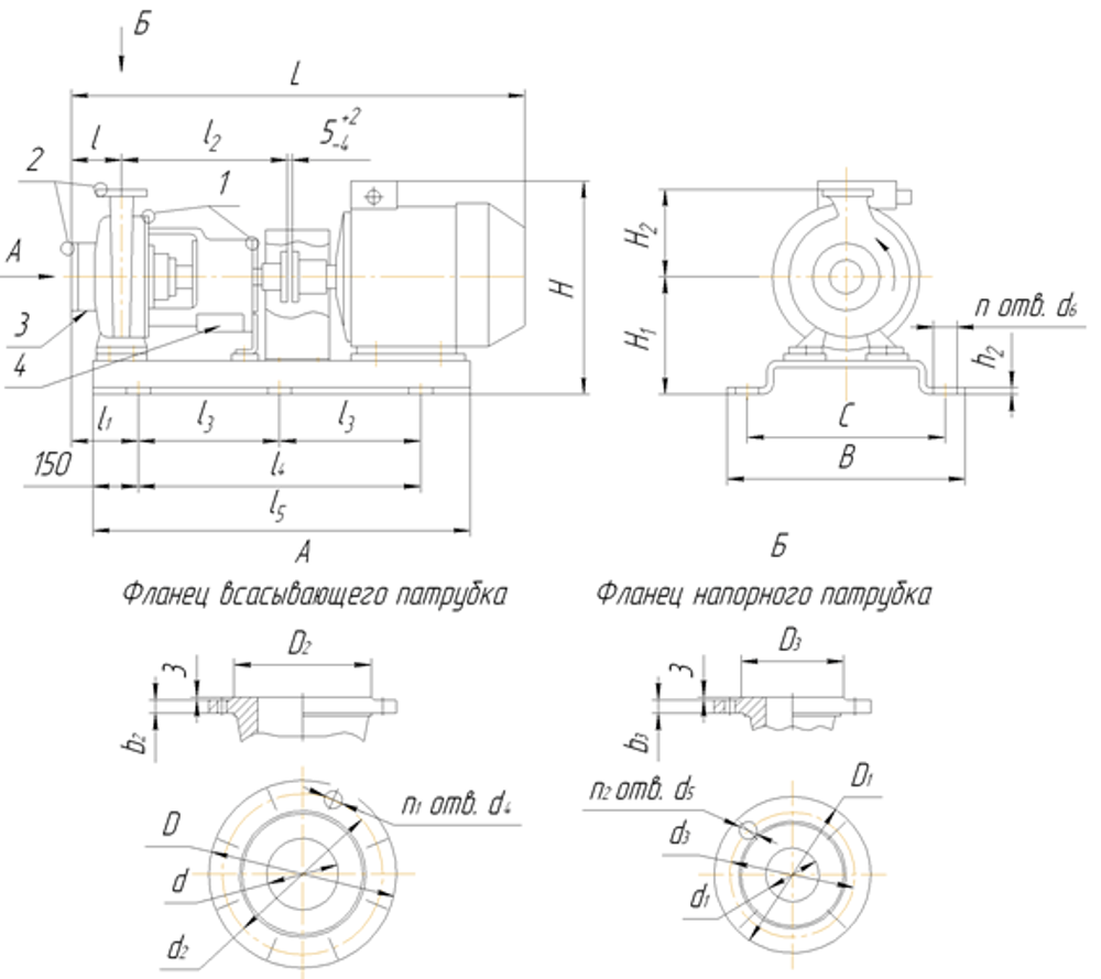
Насос Х 100-65-200Е-СД и агрегаты на его основе
Агрегаты электронасосные Х центробежные, консольные, применяют в разнообразных сферах бытового и
промышленного сектора. В основном применяются на химических производствах. Насосы способны перекачивать, как химически активные жидкости, такие как (кислоты, щелочи, различные соляные растворы) так и нейтральные по составу (вода) плотность которой, не более 1850 кг/м3 и вязкостью до 30*10-6 м2/с (30 сСт). Твердые частицы не должны быть больше 0,2мм. Температура перекачиваемого состава не должна превышать +120 градусов по цельсию, но и быть ниже -40 градусов по цельсию.
Отзывы
Отзывов еще никто не оставлял
