НАСОСЫ СЦЛ 20-24Г И АГРЕГАТЫ НА ЕГО ОСНОВЕ
Электронасос СЦЛ – 20-24Г используется при транспортировании чистых или очищенных, не имеющих твердых фракций сред. Таких, как вода, бензин, керосин, дизельное топливо, спирт. Так же может применяться для жидкостей, имеющих нейтральную среду и вязкость которых не превышает 2*10-6 м2/с. Температура проходящих через электронасос жидкостей, должна находиться в пределе от -40С до +50С. Иметь плотность не превышающую 1000 кг/м3.
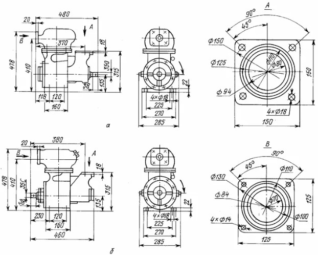
Электронасос СЦЛ 20-24Г отливается из алюминиевого состава (АЛ-4, АЛ-9 (внутренняя часть)).
Входной фланец электроагрегата расположен в корпусе насоса. Нагнетательный – в колпаке. Колпак прикрепляется к корпусу насоса. Место для рабочего колеса по оси подводится к колесу. Отход от колеса предоставляют крышка корпуса насоса и крышка его промежутка. Они разделяют внутреннее пространство
корпуса на две половины. Вал насоса держится на шарикоподшипниках, которые закрыты крышками (задней без отверстий и передней с отверстием под вал).
Непротекаемость электронасоса обеспечена сальниками и торцовыми (графитовыми) уплотнениями.
Торцовое (графитовое) уплотнение присоединяется к валу насоса с помощью штифта. Крутящееся кольцо
придавливается к недвижимому пружиной, создавая герметичность. Герметичность, между крутящимся кольцом обеспечивается резиновым кольцом. Герметичность между неподвижным кольцом и валом насоса, а далее с пространством для уплотнения, добивается за счет резинового кольца. Недвижимое кольцо фиксируется касательно уплотнительного пространства круглым штифтом. Утечки перекачиваемой среды уводятся через дырочки в уплотнительном пространстве и корпусе насоса. Перед запуском, в насос заполняют рабочей жидкостью. В период запуска жидкость, находящаяся в насосе, схватывается колесом и по переходному каналу подается в левую часть насоса, к вихревому колесу. Оно в некоторой степени выдавливает перекачиваемую среду в колпак. За счет выдавленной перекачиваемой среды в насосе появляется вакуум и из засасывающей части проникает воздух. В насосе воздух скрещивается с перекачиваемой средой, м появляется эмульсия, которая, выдавливается вихревым колесом наверх в колпак. При протекании эмульсии по воздухо-проходу, воздух выходит из состава жидкости и концентрируется в верхней пространстве колпака, жидкость отправляется обратно в пространство вихревого колеса.
